请认真填写需求信息,我们会在24小时内与您取得联系,并为您提供真诚的服务,
有任何关于我们的疑问,联系400-658-5080。

1、安全电压式专用应急电源距地面1.5M壁挂式安装;
2、安装前用户必须先确定安装位置,然后将设备安装就位,箱体与槽钢用螺母固定,设备固定时应采用水平仪或用垂线进行测量安装,以保证设备置于水位置;
3、应急专用电源设有外配电电缆进线孔(外配电下进线孔,不允许上进线),用户将进线孔敲开(或用螺丝刀拆卸安装板),将进线引入至设备内部相应接线端子;
4、安装蓄电池,应避免蓄电池跌落碰撞,接线时,防止短路现象发生,以免造成蓄电池损坏;
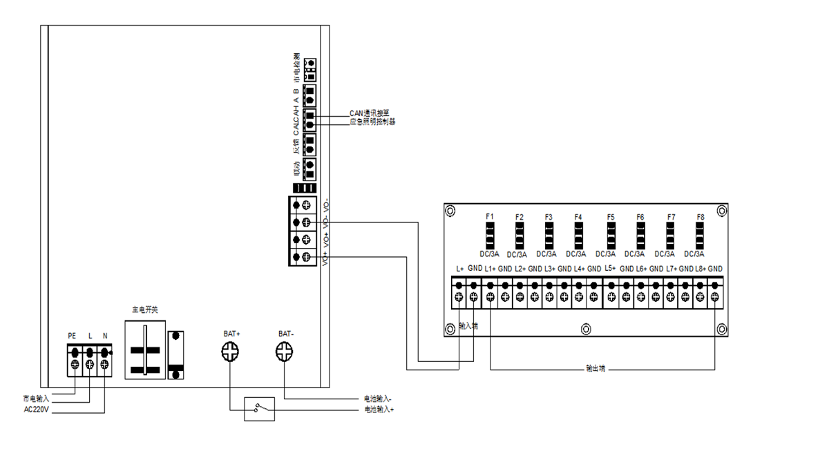
5、该应急专用电源采用AC220V电源输入,线径为3×2.5;
6、八路总线输出,输出为安全电压,严禁将AC220V电源接入;
7、与灯具连接为两总线制,只需一组双绞线,不分正负极,采用RVS-2×2.5 双绞线,穿管铺设;
8、该电源控制器主机CAN连接:CH为正极,CL为负极(采用RVSP-2×1.5 沿金属管敷设),严禁与强电线同管或沿强电线槽敷设;
版权所有:济南本安科技发展有限公司 鲁ICP备13015529号-2